LPG高速离心喷雾干燥机
产品介绍
喷雾干燥是液体工艺成形和干燥工业中最广泛应用的工艺。最适用于从溶液、乳液、悬浮液和糊状液体原料中生成粉状、颗粒状固体产品。因此,当成品的颗粒大小分布、残留水份含量、堆积密度和颗粒形状必须符合精确的标准时,喷雾干燥是一道十分理想的工艺。
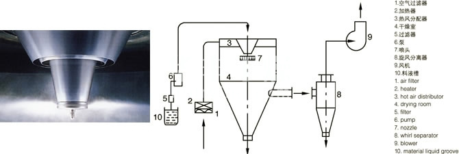
工作原理
空气经过滤和加热,进入干燥器顶部空气分配器,热空气呈螺旋状均匀地进入干燥室。料液经塔体顶部的高速离心雾化器,(旋转)喷雾成极细微的雾状液珠,与热空气并流接触在极短的时间内可干燥为成品。成品连续地由干燥塔底部和旋风分离器中输出,废气由风机排空。
性能特点
◎干燥速度快,料液经雾化后表面积大大增加,在热风气流中,瞬间就可蒸发95%-98%的水份,完成干燥时间仅需数秒钟,特别适用于热敏性物料的干燥。
◎产品具有良好的均匀度、流动性和溶解性,产品纯度高,质量好。
◎生产过程简化,操作控制方便。对于含湿量40-60%(特殊物料可达90%)的液体能一次干燥成粉粒产品,干燥后不需粉碎和筛选,减少生产工序,提高产品纯度。对产品粒径,松密度,水份,在一定范围内可通过改变操作条件进行调整,控制和管理都很方便。

适应物料
化学工业: 氟化钠(钾)、碱性染料颜料、染料中间体、复合肥、甲醛硅酸、催化剂、硫酸剂、氨基酸、白炭黑等。
塑料树脂:AB,ABS乳液、尿醛树脂、酚醛树脂、密胶(脲)甲醛树脂、聚乙烯、聚氯乙烯等。
食品工业:富脂奶粉、胳朊、可可奶粉、代乳粉、猎血粉、蛋清(黄)等。
食物及植物:燕麦、鸡汁、咖啡、速溶茶、调味香料肉、蛋白质、大豆、花生蛋白质、水解物等。
糖类: 玉米浆、玉米淀粉、葡萄糖、果胶、麦芽糖、山梨酸钾等。
陶瓷:氧化铝、瓷砖材料、氧化镁、滑石粉等。

技术规格
| 型号 项目/参数 |
5 | 25 | 50 | 150 | 200-2000 |
| 入口温度 | 140-350 自控 | ||||
| 出口温度 | 80-90 | ||||
| 水份最大蒸发量(kg/h) | 5 | 25 | 50 | 150 | 200-2000 |
| 离心喷雾头传动形式 | 压缩空气传动 | 机械传动 | |||
| 最高转速(r.p.m) | 25000 | 18000 | 18000 | 15000 | 8000-15000 |
| 喷雾盘直径(mm) | 50 | 120 | 120 | 150 | 180-240 |
| 热源 | 电 | 蒸气+电 | 蒸气+电,燃油、煤气、热风炉 | ||
| 电加热最大功率(kw) | 9 | 36 | 72 | 99 | |
| 外形尺寸(长×宽×高)(m) | 1.8×0.93×2.2 | 3×2.7×4.26 | 3.5×3.5×4.8 | 5.5×4×7 | 按实际情况确定 |
| 干粉回收(%) | ≥95 | ||||
注:水份蒸发量与物料的特性及热进风、出口温度相关。当出口温度为90oC,其水份蒸发曲线见上图(供选型参考),随着产品不断更新,有关参数变更,恕不预先通知。

订货须知
◎料液名称、物性:含固量(或含水量)、粘度、表面张力、PH值。
◎干燥后粉料容量、允许残余含水量、粒度、允许最高温度。
◎产量、每天开班时间。
◎可供能源:蒸气压力可供量,电容量,可供燃煤、油、气量。
◎控制要求:进、出口温度是否需要自控。
◎收粉要求:要否安装袋式捕集器,环境对排放尾气要求。
◎其它特殊要求。
技术规格
| 尺寸 | A | B | C | D | E1 | E2 | F | G | H | I |
| LPG-25 | 1290 | 3410 | 4260 | 1800 | 1200 | 1200 | 1000 | 1700 | 1300 | 1550 |
| LPG-50 | 1730 | 4245 | 5100 | 2133 | 1640 | 1640 | 1250 | 1750 | 1800 | 1600 |
| LPG-100 | 2500 | 5300 | 6000 | 2560 | 2100 | 2100 | 1750 | 1930 | 2600 | 1780 |
| LPG-150 | 2800 | 6000 | 7000 | 2860 | 2180 | 2180 | 1970 | 2080 | 3050 | 1960 |
| LPG-200 | 2800 | 6600 | 7300 | 3200 | 2300 | 2300 | 2210 | 2250 | 3050 | 2100 |
| LPG-300 | 2800 | 8000 | 8700 | 3700 | 2800 | 2800 | 2520 | 2400 | 3040 | 2250 |
